Yataklama : Çelik - PTFE Bakım gerektirmez
Standart : Özel versiyon 2RS keçe
İç bilezik : Sürtünmesiz yatak çeliği, sertleştirilmiş, taşlanmış ve cilalanmış.
Dış bilezik : PTFE kaplı pirinçtendir, dış çapı dişlidir, iç bileziğin etrafında soğuk biçimlendirilmiştir, gövdeye vidalanmıştır ve lastik kapaklıdır.
Lastik kapaklar : Sertleştirilmiş pirinç bilezikli ve çelik kilitleme somunlu sentetik kauçuk
Gövde : 8 -12 ölçü aralığında otomat çeliği, 14 - 30 ölçü aralığında temperlenmiş çelik (standartlaştırılmış), tüm ölçüler galvanizlidir ve kromatlanmıştır.
Kovanlar : Temperlenmiş çelikten, sertleştirilmiş, iç bileziğe preslenmiştir, delik ve dış çap taşlanmıştır. Yalnızca lastik kapakların pirinç bilezikleri için giriş olarak kullanılırlar. Düşük kalınlıkları nedeniyle radyal ve eksenel kuvvetleri mafsal yataklara aktarmak için uygun değildir.
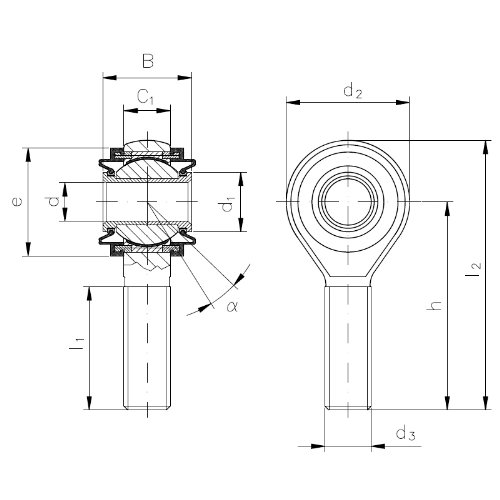
| Gösterim Sağdan | Soldan | d | d3 | B | C1 |
| dişli | dişli | mm | |||
| Kl 8-D2RS | KIL 8-D2RS | M8 | 19 | 9,0 | |
| Kl 10-D2RS | KIL 10-D2RS | M10 | 21 | 10,5 | |
| Kl 12-D2RS | KIL 12-D2RS | M12 | 23 | 12,0 | |
| Kl 14-D2RS | KIL 14-D2RS | M14 | 26 | 13,5 | |
| Kl 16-D2RS | KIL 16-D2RS | M16 | 28 | 15,0 | |
| Kl 18-D2RS | KIL 18-D2RS | M18x1,5 | 30 | 16,5 | |
| Kl 20-D2RS | KIL 20-D2RS | M20x1,5 | 32 | 18,0 | |
| Kl 22-D2RS | KIL 22-D2RS | M22x1,5 | 35 | 20,0 | |
| Kl 25-D2RS | KIL 25-D2RS | M24x2 | 38 | 22,0 | |
| Kl 30-D2RS | KIL 30-D2RS | M30x2 | 44 | 25,0 |


| Gösterim Sağdan | Soldan | d | d3 | B | C1 |
| dişli | dişli | mm | |||
| KA 8-D2RS | KAL 8-D2RS | M8 | 19 | 9,0 | |
| KA 10-D2RS | KAL 10-D2RS | M10 | 21 | 10,5 | |
| KA 12-D2RS | KAL 12-D2RS | M12 | 23 | 12,0 | |
| KA 14-D2RS | KAL 14-D2RS | M14 | 26 | 13,5 | |
| KA 16-D2RS | KAL 16-D2RS | M16 | 28 | 15,0 | |
| KA 18-D2RS | KAL 18-D2RS | M18x1,5 | 30 | 16,5 | |
| KA 20-D2RS | KAL 20-D2RS | M20x1,5 | 32 | 18,0 | |
| KA 22-D2RS | KAL 22-D2RS | M22x1,5 | 35 | 20,0 | |
| KA 25-D2RS | KAL 25-D2RS | M24x2 | 38 | 22,0 | |
| KA 30-D2RS | KAL 30-D2RS | M30x2 | 44 | 25,0 |
Toleranslar : DIN ISO 12240-4, K ölçü serisi, (d = H10, B = +0.3 hariç)
Uyarı : Mafsal kafalarda, montaj veya çalışma esnasında tabloda belirtilen eğim açılarının aşılmaması çok önemlidir. Aksi takdirde, lastik kapaklar hasar görebilir.
Özel versiyonlar : Talep üzerine mevcuttur.
| d1 | d2 | d4 | d5 | e | h1 | l3 | l4= | W | Yük katsayılarıC0 statik | Eğim açısı | Ağırlık |
| maks | = | min | gövdekN | a° | kg | ||||||
| 10,5 | 25 | 12,5 | 16 | 20 | 36 | 12 | 48,5 | 14 | 12 | 9 | 0.066 |
| 13,0 | 29 | 15,0 | 19 | 24 | 43 | 15 | 57,5 | 17 | 15 | 9 | 0.118 |
| 15,5 | 33 | 17,5 | 22 | 28 | 50 | 18 | 66,5 | 19 | 23 | 9 | 0.162 |
| 17,0 | 37 | 20,0 | 25 | 30 | 57 | 21 | 75,5 | 22 | 24 | 10 | 0.235 |
| 19,5 | 43 | 22,0 | 27 | 34 | 64 | 24 | 85,5 | 22 | 34 | 10 | 0.285 |
| 22,0 | 47 | 25,0 | 31 | 37 | 71 | 27 | 94,5 | 27 | 39 | 10 | 0.385 |
| 24,5 | 51 | 27,5 | 34 | 40 | 77 | 30 | 102,5 | 30 | 42 | 10 | 0.500 |
| 26,0 | 55 | 30,0 | 37 | 44 | 84 | 33 | 111,5 | 32 | 54 | 10 | 0.615 |
| 29,5 | 61 | 33,5 | 42 | 50 | 94 | 36 | 124,5 | 36 | 60 | 10 | 0.800 |
| 35,0 | 71 | 40,0 | 50 | 58 | 110 | 45 | 145,5 | 41 | 82 | 12 | 1.210 |
| d1 | d2 | e | h | l1 | l2= | Yük katsayılarıC0 statik | Eğim açısı | Ağırlık |
| maks | = | min | gövdekN | a° | kg | |||
| 10,5 | 25 | 20 | 42 | 25 | 54,5 | 10 | 9 | 0.055 |
| 13,0 | 29 | 24 | 48 | 28 | 62,5 | 15 | 9 | 0.100 |
| 15,5 | 33 | 28 | 54 | 32 | 70,5 | 23 | 9 | 0.140 |
| 17,0 | 37 | 30 | 60 | 36 | 78,5 | 24 | 10 | 0.200 |
| 19,5 | 43 | 34 | 66 | 37 | 87,5 | 33 | 10 | 0.260 |
| 22,0 | 47 | 37 | 72 | 41 | 95,5 | 39 | 10 | 0.350 |
| 24,5 | 51 | 40 | 78 | 45 | 103,5 | 42 | 10 | 0.460 |
| 26,0 | 55 | 44 | 84 | 48 | 111,5 | 54 | 10 | 0.560 |
| 29,5 | 61 | 50 | 94 | 55 | 124,5 | 60 | 10 | 0.740 |
| 35,0 | 71 | 58 | 110 | 66 | 145,5 | 82 | 12 | 1.120 |