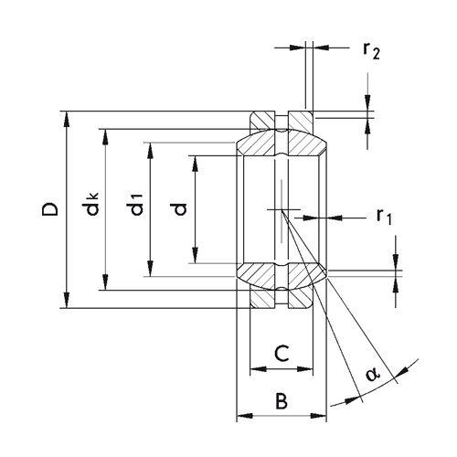
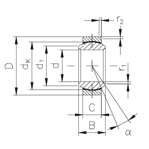
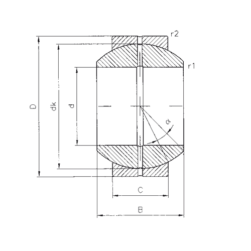
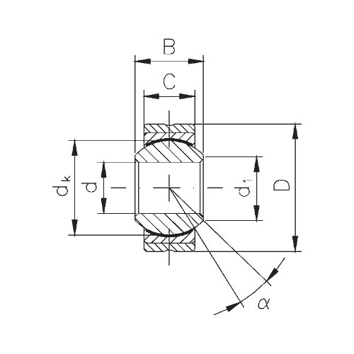
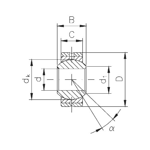
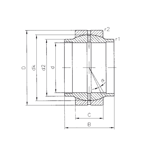
Mafsal Kafa

ASK mafsal kafa çeşitleri ve teknik detayları

Montaj Yönergeleri

Montaj

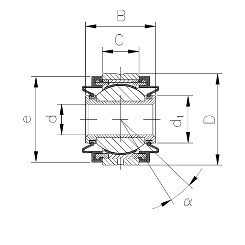
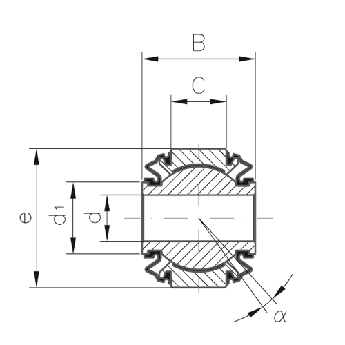
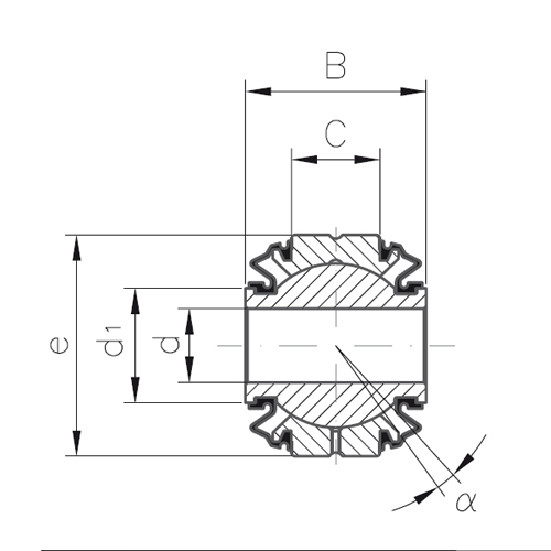
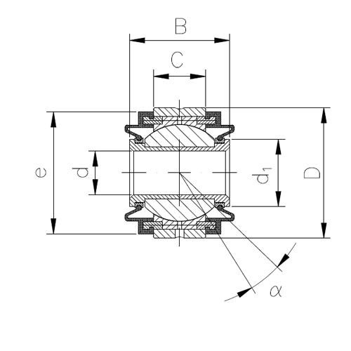
Tüm Askubal mafsal yataklar ve mafsal kafalar; yüksek hassasiyete sahip, montaja hazır yatak elemanlarıdır. Bu sebepten de, her biri dikkatli bir şekilde depolanmalı ve montajı doğru olarak yapılmalıdır. Aşağıdaki noktalara uyulması önemlidir:

  1. Mafsal yatakların ve mafsal kafaların olabildiğince etkili bir şekilde korunması için, montajdan hemen öncesine kadar kendi orijinal paketlerinde muhafaza edilmesi gerekmektedir. Montaj işlemi esnasında yabancı parçacıkların rulmanın dış bileziğine hiçbir şekilde girmediğine emin olun. Montaj ve demontaj için gereken kuvvetler, dış bilezik yatak kabuklarına ya da yuvarlanma kanalına hiçbir şekilde iletilmemelidir.
  2. Mafsal yatakların sorunsuz şekilde çalışması için; kayma hareketinin, yatak iç bileziği ile dış bileziği kayan yüzeyleri arasında gerçekleşmesi gerekmektedir. Mil veya gövde üzerinde gerçekleşecek kayma hareketleri, hasara ve erkenden bozulmaya sebep olur. Bu sebepten, yatak gövdesi ile yatak dış bileziği arasında ve yatak iç bileziği ile bağlantı mili arasında uygun bir karşılıklı etkileşimin olması gereklidir.
  3. Bunun sağlanması da, yatak bileziklerinin sıkı geçmesi ve eksenel gerdirmesi ile mümkündür. Bununla beraber, sıkı geçmelerin sonucu olarak yatak boşluğu değişir. Gövde ile yatak dış bileziği arasındaki etkileşimin çok fazla olması, dış bilezikte küçülmeye sebep olur. Bağlantı mili ve iç bilezik arasındaki etkileşimin çok fazla olması ise, iç bilezikte genişlemeye sebep olur.

Bakım ve Yağlama

Metalik malzemeden üretilmiş mafsal yataklarda ve mafsal kafalarda çalışma ömrü, büyük ölçüde düzenli yağlamaya bağlıdır. Tek seferlik ilk gres doldurma işlemi, sadece çalışırken maruz kaldığı yüklerin az olduğu durumlarda yeterlidir. Yağlamanın etkililiği ağırlıklı olarak; yüke, yükün türüne (sürekli, atımlı veya dalgalı), dönme açısına ve kayma hızına bağlıdır. 

ASK laboratuvarlarımızda yapılan sayısız testler sonucunda; küçük dönme açılarının ve çok düşük ya da çok yüksek kayma hızlarının, yağlayıcı tabakasının yapısı üzerinde istenmeyen bir etkisi olduğu ortaya çıktı. Sadece tek yönde uygulanan yüklerin de, değişen yüklere kıyasla, istenmeyen bir etkisi olduğu anlaşıldı. 

Yağlayıcının optimum ve dengeli dağılımını sağlamak için, ilk yağlamanın ve müteakip yağlamaların, mafsal yatağa ya da mafsal kafaya yüksüz durumdayken yapılması gerekir.

Uyarı

ASK ve müşteri tarafından kullanılan farklı yağlayıcılardan kaynaklanabilecek uyuşmazlığı önlemek için, mafsal yataklar ve mafsal kafalar tek bir antikorozif kaplama ile tedarik edilir. Bu nedenle; bakım gerektiren mafsal yataklar ve mafsal kafalara, çalıştırılmadan önce veya montajdan hemen sonra ilk yağlama yapılmalıdır. İlk yağlamanın, yaklaşık 1 saatlik rodaj süresinin ardından yapılmasını tavsiye ediyoruz.

Yağlama yapılacağı zaman yatağın yüksüz durumda olması gerekir, bu sayede yağlayıcı engelsiz olarak yayılabilir. Yağlama işlemi, yağlayıcı; yatak dış bileziği ile iç bilezik arasından sızana kadar devam ettirilmelidir. Aynı şekilde dişi mafsal kafalarda montaj öncesinde, mildeki dişli kısmı vidalı bağlantı muylusu seviyesine kadar yağlayıcı ile doldurmak da tavsiye edilir. Bu sayede, yağlama nipeli ile yağlamaya gerek kalmadığından yapılan işin miktarı azalacaktır.

Çelik / Uzun Ömürlü Bronz Yataklama

Bu malzeme kombinasyonunda yağlama için korozyon önleyici basınca dayanıklı lityum bazlı gresleri veya lityum kompleks sabunlu gresleri tavsiye ediyoruz.  Çalışma sıcaklığı aralığı -20°C ile +110°C arasında olmalıdır.Sürtünmeyi azaltmak ve yüksüz durumda, üst sınır aralığında kullanılan bileşenlerin çalışma ömrünü arttırmak, katı yağlarla mümkündür. Bu yağlar da talep üzerine mevcuttur.

Çelik / PTFE Yataklama

Bu malzeme kombinasyonu, düşük sürtünmesi ile bilinir. Sürtünme önleyici film, yağlama gereksinimini ortadan kaldıran ve bu sayede bakım gerektirmeyen çalışmayı mümkün kılan bir malzemeden yapılmıştır.

Askurol Sürtünmesiz Yataklar

Bilyalı rulmanlar : Bu mafsal kafalara, lityum sabunlu gres ile kalıcı yağlama yapılmıştır. Sonradan yağlamaya gerek yoktur. Bununla birlikte, <5° dönme açılı bir versiyonda sonradan yağlamaya gerek vardır.

Makaralı rulmanlar : Bu mafsal kafalara, lityum sabunlu gres ile ilk yağlama yapılmıştır. Eğer bu mafsal kafalar, ağır çalışma şartlarında kullanılacaksa uygun yağlama nipeli vasıtasıyla yeniden yağlaması yapılabilir.