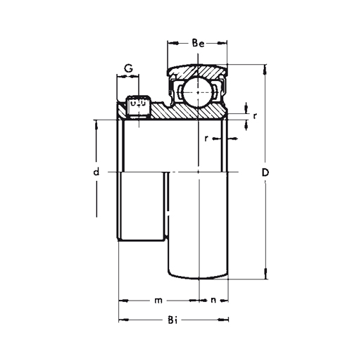
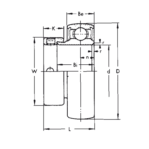
PUCT 200 Gerdirme Yatak Plastik
Plastik Seri gerdirme yatak PUCT 200, setskurlu kilitleme, sıkma Bilezikli MUC 200
İnceleMil seçimi
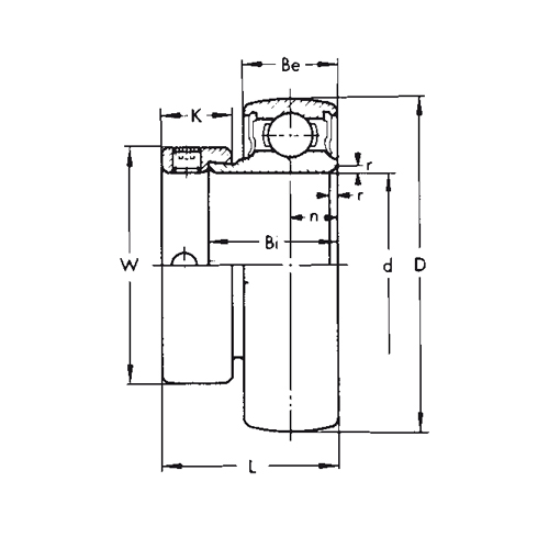
Silindirik delikli (setskurlu ya da eksantrik kilitlemeli) ünitelerde boşluklu geçme tercih edilir.
| Setskur sıkma torku değerleri | Nm | ||
| UC 201 - 206 | UC 305 - 306 | MUC 204 - 206 | 3.80 |
| UC 207 - 209 | UC 307 | MUC 207 - 209 | 8.30 |
| UC 210 - 212 | UC 308 - 309 | MUC 210 | 16.00 |
| UC 213 - 218 | UC 310 - 314 | 25.00 | |
| UC 315 - 316 | 30.00 | ||
| UC 317 - 318 | 58.00 | ||
| Setskur sıkma torku değerleri | Nm | ||
| K 000 - 001 | 0.55 | ||
| K 002 - 003 | 1.45 | ||
| B 201 - 204 | K 004 - 006 | 2.50 | |
| KH 201 - 205 | B 205 - 206 | 3.90 | |
| B 207 | 8.50 | ||
| KH 206 - 210 | 11.00 | ||
Yeniden gresleme aralığı
Greslerin kullanma ömrü pek çok faktörden etkilenir. Bu nedenle de, tablomuzda bulunan yeniden yağlama aralıkları yalnızca kabaca tahmin edilmiş değerler olarak ele alınmalıdır.
Bu nedenle, karşılaştırılabilir rulmanların olması veya rulmanların daha önceden kullanılmış olması son derece önemlidir zirâ bir yağlayıcının çalışma ömrünü -dolayısıyla da rulmanın çalışma ömrünü- etkileyen faktörler ve çalışma koşulları, çoğu kez bilinmemekte veya tespit edilememektedir.
Gresleme aralığı
|
Rulmanın çalışma sıcaklığı °C |
Gresleme aralığı |
||
|
Çalışma koşulları |
|||
|
temiz |
kirli |
Çok kirli çok nemli |
|
|
50 70 100 |
3 yıl 1 yıl 3 ay |
6 ay 2 ay 2 hafta |
3 ay 1 ay 1 hafta |