Rulman

ASK Rulman çeşitleri, ASK konik ve takip sistem rulmanlar

Teknik Bilgiler

Rulmanlı Yatak

Yüzeyleri arasında yuvarlanma elemanları olan tüm rulmanlar için kullanılan genel tabirdir.

Rulmanlı Yatak Şekilleri

Rulmanlı yataklar ilk ve öncelikli olarak, yuvarlanma elemanlarının şekline göre; "bilyalı rulmanlar" ve "makaralı rulmanlar" olarak sınıflandırılır. Makaralı rulmanlar, bilyalı rulmanlara göre çok daha büyük kuvvetlere dayanabilir. Diğer yandan bilyalı rulmanlar, makaralı rulmanlara kıyasla daha yüksek hızlarda çalışır.

Toleranslar

Makaralı rulmanların toleransları, DIN 620 T1 ile T6 aralığındaki standartlara göre belirlenmiştir ve farklı doğruluk sınıflarına ayrılmıştır. Doğruluk sınıfları DIN standartlarında; normal, P6, P5, P4 şeklinde gösterilir. Toleranslar, nominal ölçülerin dışında olan kabul edilebilir değerlerdir.

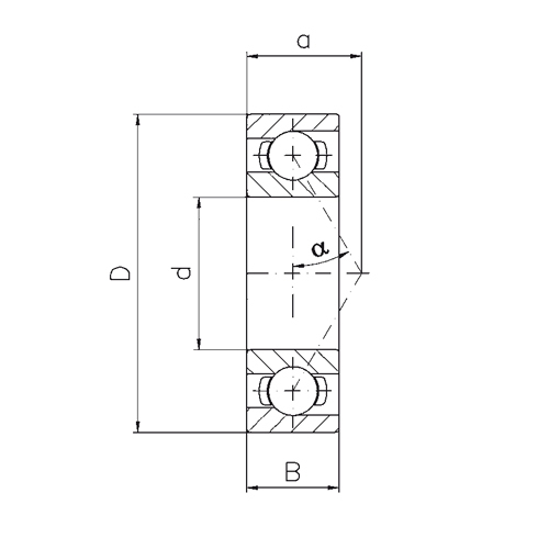
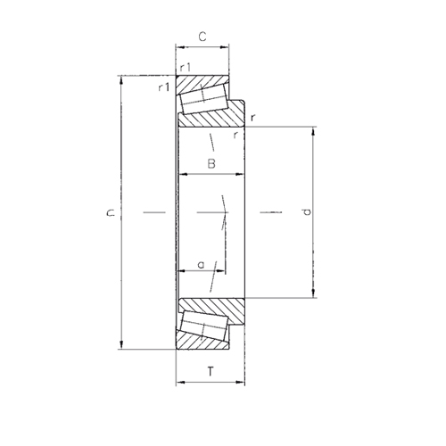
Rulmanlı Yatakların Gösterimleri

Rulmanlı yatakların dış ölçüleri, DIN ISO 355’e uygun olarak DIN 616’da ortaya koyulmuştur.Gösterimlerde, aynı iç çap ve tasarıma sahip rulmanlara çeşitli dış çap ve genişlikler atanarak geniş bir yük kapasitesi aralığı sunulur. Bu gösterim sistemi de DIN 623’te belirlenmiştir.

Çap serisi Genişlik serisi:
0 (çok hafif) 0
2 2 (hafif) 1
3 3 (orta) 2
4 4 (ağır) 3

Yandaki grafikte, bu seriler arasındaki ilişki gösterilmiştir.Bununla beraber, standartlaştırılmış yatak gösterimlerinin her durumda bu sisteme denk gelmediğini unutmamak gerekir.

Rulman Kodları

Bir gösterim kodu, rakamlar ve harfler içerir. Gösterimin ilk rakam veya harf grubu, rulmanın tipini (sabit bilyalı rulman, konik makaralı rulman, oynak makaralı rulman vb.) ve genişlik ile çap serilerini (hafif, orta, ağır vb.) ifade eder. İkinci rakam grubu ise iç çap kodunu verir. Rulman iç çapının ölçüsü, gösterimdeki kodun 5 ile çarpılmasıyla elde edilir. (İç çap  20 mm olanlar için geçerli).

Örnek gösterim : 2 2 3 16    (Normalde yazılış şekli: 22316)

16 x 5 = 80 mm İç çap

Ek kodların olmadığı rulman gösterimleri, normal rulmanları ifade eder. Örneğin; DIN 620 ye uygun normal ölçülerde, formlarda ve çalışma doğruluğundaki rulmanlar. Bunun dışında kalan rulmanlar, ek gösterimlerle ifade edilir.
Bu ek gösterimler ise ön ekler ve son eklerdir.
 
Ön ekler, rulman bileşenlerini (bilezikler, kanatlar); son ekler ise iç yapısı, ölçü toleransları, çalışma doğruluğu, yatak boşluğu gibi özellikleri ifade eder.

Ön ekler

Ön ekler nadiren kullanılır. Normalde, bütün bir rulmanın tek bir parçasını ifade ederler.

Son ekler

Son ekler, standardın dışında olan özel modelleri ifade eder. Özellikle şu bilgileri içerirler:

  • İç tasarım
  • Dış form
  • Yatak boşluğu
  • Kafes modeli
  • Yağlayıcı
  • Toleranslar
  • Keçeler

Rulmanlı Yatakların Seçimi

Tasarım mühendisleri, çeşitli tiplerde makaralı rulmanların karakteristik özelliklerine ve yataklama düzeninin çalışma koşullarına göre en iyi rulmanı seçebilirler. En iyi rulmanın seçiminde ise rulmanın görevine bağlı olarak değişen her durumun kendine has koşulları hesaba katılmalıdır. Pek çok çalışma koşuluna uygun farklı tipte rulmanlar bulunmaktadır.

Rulmanın boyutunu, üzerinde etkili olacak dış kuvvetler ve çalışma ömrü ile güvenliğine dair talepler belirler. Rulmana uygulanacak yükün türü ve yönü ile rulman çalışma hızı; rulmanın boyutunun ve tipinin seçiminde belirleyici olan en önemli faktörlerdir. Boşluk kısıtlaması yüzünden, gerekli yük kapasitesi ve çalışma ömrüne erişmesi için küçük kesitli veya çift sıralı rulmanların seçilmesi gerekir.

Yüksek doğruluklu rulmanlar için özellikle bilyalı rulmanlar ve silindir makaralı rulmanlar kullanılmadır zirâ bu rulmanlar en yüksek doğruluk sınıfına sahiptir.Çalışma sıcaklığının devamlı 100°C’nin yukarısında olduğu durumlarda hem rulmanın modeli ve hem de yağlayıcının türü açısından rulmanların çalışma sıcaklığı, yataklama tasarımını etkiler.

Yatak boşluğu, çalışma koşullarına uygun olmalıdır, ki bu koşullar çoğunlukla iç ve dış bilezik arasındaki sıcaklık farkına; yatağı besleyen ısının etkilerine ya da yüksek hızın etkisine göre belirlenir. Rulmanın seçimini etkileyen diğer faktörler ise; montaj, yağlayıcılar ve keçeler, sürtünme ve gürültüdür. Makaralı rulmanlar için statik ve dinamik yüklere göre ayrılır.

Çalışma Ömrü

Bir rulmanın çalışma ömrü; rulmanın, malzeme yorulması (pullanmanın) gerçekleşmeden önceki belli bir hızda çalıştığı süre boyunca yaptığı devir sayısı ya da yuvarlanma sayısıdır. Buna rağmen, aynı çalışma koşullarına sahip, aynı tip ve ölçüdeki rulmanın çalışma ömründe büyük farklılıklar olabilir. Bu sebepten, çalışma ömrü ifadesi hesaplama kullanılması için açıkça tanımlanmıştır. Çalışma güvenliği ve ISO tavsiyeleri göz önünde bulundurularak nominal çalışma ömrü temel alınmıştır.  

Yani, aynı çalışma koşullarına sahip çok sayıda aynı rulmanın %90 ı bu çalışma ömrüne erişir veya bu ömrü aşar. Bu nedenle biz çalışma ömrü ifadesini, sadece dinamik malzeme yorulmasından kaynaklanan arızalara kadarki zaman için kullanmayız. Öngörülemeyen arızalar da çalışma ömrünü etkiler. Örneğin; hatalı montaj, yataklama tasarımındaki hatalar, bakımda yapılan hatalar, toz ve nem girişi.

Yük Katsayıları

  • C0 Statik yük katsayısında yuvarlanma elemanları ve yuvarlanma yollarının toplam kalıcı deformasyonu, yuvarlanma elemanlarının çapının maks. 0.0001 i kadardır. Bu hesaplama, basıncın olduğu alanın merkezindeki yüzey basıncına dayalı olarak yapılmıştır.
  • C Dinamik yük katsayısında, çok sayıda özdeş makaralı rulmanın %90 ı, yuvarlanma yüzeylerinin yorulmasına bağlı deformasyondan önce nominal çalışma ömrü olan 1 milyon devire ulaşır. Radyal rulmanlarda dinamik yük katsayısı, tamamen radyal ve sabit olan yükleri ifade ederken; eksenel rulmanlarda, tamamen eksenel ve sabit olan yükleri ifade eder.Her iki rulman için C dinamik yük katsayısı değerleri, teknik tablolarda belirtilmiştir. Bu değer; rulmanın ölçülerine, yuvarlanma elemanlarının sayısına, malzemeye ve rulmanın modeline göre değişir.

Uyarı:
Gösterilen yük katsayıları yalnızca, gövde veya mil üzerine montajlanmış rulmanlar için geçerlidir. Bundan dolayı, rulmanın montaj yeri (bileşenlerin yuvarlaklığı, uyumluluğu) rulmanın deformasyonunu önleyecek şekilde ya da uygun gövde ve mil stabilitesini (sağlamlığını) elde edecek şekilde olmalıdır.

Rulmanlı Yatakların Yağlanması

Rulmanlı yatakların yağlaması üç sebepten yapılır:

  1. Yuvarlanma elemanları, bilezikler ve kafesler arasındaki metal temasını önlemek için.
  2. Korozyonu önlemek için.
  3. Yıpranmayı önlemek için.

Normalde rulmanlı yataklar gresle yağlanır. Montaj sırasında, rulmanın yuvarlanma elemenları arasındaki boşluğun sadece %30-50 si gresle doldurulur.

Devam eden süreçte yağlayıcının yağlama etkisi azalır. Dolayısıyla, eskimiş ya da kirlenmiş yağlayıcıların değiştirilmesi veya yenilenmesi gerekir. Yağlama için, sadece rulmanlar için üretilmiş gresleri ve yağlama yağlarını kullanabilirsiniz.

Keçeli rulmanlar genellikle yüksek performanslı lityum sabunlu greslerle yağlanır. Bu gresler -20°C den +100°C ye kadar olan bir sıcaklık aralığına sahiptir ve kısa süreli olmak kaydıyla +100°C çalışma sıcaklıklarına karşı koyabilir. 70°C üzerinde sürekli çalışma halinde lityum sabunlu bu standart gresler, daha kısa periyotlarda etkili olacaktır.

Daha yüksek sıcaklıklarda sürekli kullanımda yeterli sonuçlar elde etmek için özel gresler kullanın.Ancak unutmayın, kullanılan temaslı keçelerin kullanma limiti +110°C dir. Bu limitin üzerindeki kullanımlar için, keçelerin ısıya dayanıklı malzemeden olduğuna emin olun.

İşaretlenmemiş rulmanlarda limit sıcaklık 120°C ye kadardır. 120°C nin üzerindeki çalışma sıcaklıkları için, rulman ölçülerinde kristalleşmeden kaynaklanan kabul edilemez değişiklikleri önlemek amacıyla özel ısıl işlem gerekir. Böyle bir işleme tabi tutulmuş rulmanlar özel işaretlerle işaretlenir.

Daha önce de belirtildiği gibi, kullanılan temaslı keçelerin kullanma limiti +110°C dir. Bu limitin üzerindeki kullanımlar için, keçelerin ısıya dayanıklı malzemeden olduğuna emin olun.

Yeniden gresleme aralığı

Greslerin kullanma ömrü pek çok faktörden etkilenir. Bu nedenle de, tablomuzda bulunan yeniden yağlama aralıkları yalnızca kabaca tahmin edilmiş değerler olarak ele alınmalıdır.

Bu nedenle, karşılaştırılabilir rulmanların olması veya rulmanların daha önceden kullanılmış olması son derece önemlidir zirâ bir yağlayıcının çalışma ömrünü -dolayısıyla da rulmanın çalışma ömrünü- etkileyen faktörler ve çalışma koşulları, çoğu kez bilinmemekte veya tespit edilememektedir.

 

Rulmanın çalışma sıcaklığı °C cinsinden

Yağlama aralığı

Çalışma koşulları

temiz

kirli

çok kirli çok nemli

50

3 yıl

6 ay

3 ay

70

1 yıl

2 ay

1 ay

100

3 ay

2 hafta

1 hafta

110

6 hafta

1 hafta

3 gün

Hız Limiti

Yatak yükü, yatak boşluğu, yağlayıcı, ısı giriş ve çıkışı hız limitini etkileyen faktörlerdir. Tablolarda verilen hız limiti; tamamen radyal yüklü radyal rulmanlar ve tamamen eksenel yüklü eksenel rulmanlar, yatak boşluğu normal toleransı, harici olmayan ısı, limiti aşmayan çalışma sıcaklıkları ve tamamıyla şoksuz düşük yükler için geçerlidir.