|
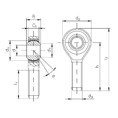
Gösterim |
d |
d3 |
B |
C1 |
d1 |
|
|
Sağdan dişli |
Soldan dişli |
mm |
mm |
mm |
mm |
=
mm |
| KI 5-DNR | KIL 5-DNR | 5 | M5 | 8 | 6,00 | 7,7 |
| KI 6-DNR | KIL 6-DNR | 6 | M6 | 9 | 6,75 | 8,9 |
| KI 8-DNR | KIL 8-DNR | 8 | M8 | 12 | 9,00 | 10,3 |
| KI 10-DNR | KIL 10-DNR | 10 | M10 | 14 | 10,50 | 12,9 |
| KI 12-DNR | KIL 12-DNR | 12 | M12 | 16 | 12,00 | 15,4 |
| KI 14-DNR | KIL 14-DNR | 14 | M14 | 19 | 13,50 | 16,8 |
| KI 16-DNR | KIL 16-DNR | 16 | M16 | 21 | 15,00 | 19,3 |
| KI 18-DNR | KIL 18-DNR | 18 | M18x1.5 | 23 | 16,50 | 21,8 |
| KI 20-DNR | KIL 20-DNR | 20 | M20x1.5 | 25 | 18,00 | 24,3 |
| KI 22-DNR | KIL 22-DNR | 22 | M22x1.5 | 28 | 20,00 | 25,8 |
| KI 25-DNR | KIL 25-DNR | 25 | M24x2 | 31 | 22,00 | 29,5 |
| KI 30-DNR | KIL 30-DNR | 30 | M30x2 | 37 | 25,00 | 34,8 |


|
Gösterim |
d |
d3 |
B |
C1 |
d1 |
|
|
Sağdan dişli |
Soldan dişli |
mm |
mm |
mm |
mm |
=
mm |
| KA 5-DNR | KAL 5-DNR | 5 | M5 | 8 | 6,00 | 7,7 |
| KA 6-DNR | KAL 6-DNR | 6 | M6 | 9 | 6,75 | 8,9 |
| KA 8-DNR | KAL 8-DNR | 8 | M8 | 12 | 9,00 | 10,3 |
| KA 10-DNR | KAL 10-DNR | 10 | M10 | 14 | 10,50 | 12,9 |
| KA 12-DNR | KAL 12-DNR | 12 | M12 | 16 | 12,00 | 15,4 |
| KA 14-DNR | KAL 14-DNR | 14 | M14 | 19 | 13,50 | 16,8 |
| KA 16-DNR | KAL 16-DNR | 16 | M16 | 21 | 15,00 | 19,3 |
| KA 18-DNR | KAL 18-DNR | 18 | M18x1.5 | 23 | 16,50 | 21,8 |
| KA 20-DNR | KAL 20-DNR | 20 | M20x1.5 | 25 | 18,00 | 24,3 |
| KA 22-DNR | KAL 22-DNR | 22 | M22x1.5 | 28 | 20,00 | 25,8 |
| KA 25-DNR | KAL 25-DNR | 25 | M24x2 | 31 | 22,00 | 29,5 |
| KA 30-DNR | KAL 30-DNR | 30 | M30x2 | 37 | 25,00 | 34,8 |
Versiyon DR : Standart, fakat iç bileziğin kayan yüzeyi 100Cr6 sert krom kaplama
Diğer versiyonlar talep üzerine mevcuttur.
| d2 maks |
d4 ~ |
d5 | dk | h1 | l3 min. |
l4 ~ |
W | C0 Statik yük katsayısı Standart -V -L |
Eğim açısı | Ağırlık |
| mm | mm | mm | mm | mm | mm | mm | mm | kN | a° | kg |
| 19 | 9,0 | 11 | 11,1 | 27 | 8 | 36,5 | 9 | 6 | 13 | 0,017 |
| 21 | 10,0 | 13 | 12,7 | 30 | 9 | 40,5 | 11 | 7 | 13 | 0,025 |
| 25 | 12,5 | 16 | 15,8 | 36 | 12 | 48,5 | 14 | 10 | 13 | 0,043 |
| 29 | 15,0 | 19 | 19,0 | 43 | 15 | 57,5 | 17 | 13 | 13 | 0,072 |
| 33 | 17,5 | 22 | 22,2 | 50 | 18 | 66,5 | 19 | 15 | 13 | 0,107 |
| 37 | 20,0 | 25 | 25,4 | 57 | 21 | 75,5 | 22 | 22 | 15 | 0,160 |
| 43 | 22,0 | 27 | 28,5 | 64 | 24 | 85,5 | 22 | 28 | 15 | 0,210 |
| 47 | 25,0 | 31 | 31,7 | 71 | 27 | 94,5 | 27 | 35 | 15 | 0,295 |
| 51 | 27,5 | 34 | 34,9 | 77 | 30 | 102,5 | 30 | 41 | 15 | 0,380 |
| 55 | 30,0 | 37 | 38,1 | 84 | 33 | 111,5 | 32 | 51 | 15 | 0,490 |
| 61 | 33,5 | 42 | 42,8 | 94 | 36 | 124,5 | 36 | 58 | 15 | 0,650 |
| 71 | 40,0 | 50 | 50,8 | 110 | 45 | 145,5 | 41 | 80 | 15 | 1,150 |
| d2 | dk | h | l1 | l2 | C0 Statik yük katsayısı Standart -V -L |
Eğim açısı | Ağırlık |
| mm | mm | mm | mm | mm | kN | a° | kg |
| 19 | 11,1 | 33 | 19 | 42,5 | 4 | 13 | 0,013 |
| 21 | 12,7 | 36 | 21 | 46,5 | 6 | 13 | 0,019 |
| 25 | 15,8 | 42 | 25 | 54,5 | 8 | 13 | 0,032 |
| 29 | 19,0 | 48 | 28 | 62,5 | 12 | 13 | 0,054 |
| 33 | 22,2 | 54 | 32 | 70,5 | 15 | 13 | 0,085 |
| 37 | 25,4 | 60 | 36 | 78,5 | 22 | 15 | 0,125 |
| 43 | 28,5 | 66 | 37 | 87,5 | 28 | 15 | 0,185 |
| 47 | 31,7 | 72 | 41 | 95,5 | 35 | 15 | 0,260 |
| 51 | 34,9 | 78 | 45 | 103,5 | 41 | 15 | 0,340 |
| 55 | 38,1 | 84 | 48 | 111,5 | 51 | 15 | 0,435 |
| 61 | 42,8 | 94 | 55 | 124,5 | 58 | 15 | 0,590 |
| 71 | 50,8 | 110 | 66 | 145,5 | 80 | 15 | 1,060 |