Standart :
TKA = keçesiz
UU = iki tarafta keçe
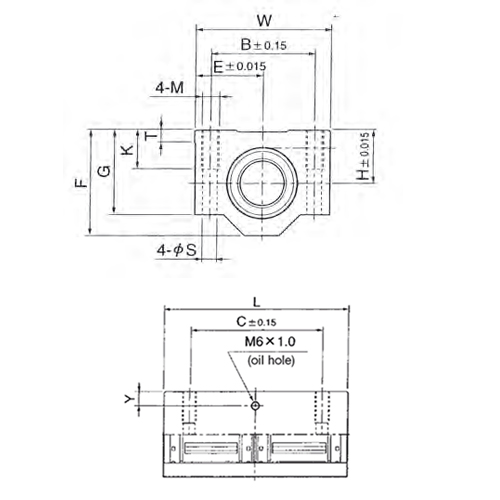
| Gösterim | d | H | E | W | L | F | G | T | X |
| mm | mm | mm | mm | mm | mm | mm | mm | mm | |
| TKA 10UU | 10 | 16 | 20.0 | 40 | 36 | 31.5 | 25 | 5 | – |
| TKA 12UU | 12 | 18 | 21.5 | 43 | 39 | 35.0 | 28 | 5 | – |
| TKA 16UU | 16 | 22 | 26.5 | 53 | 43 | 42.0 | 35 | 5 | – |
| TKA 20UU | 20 | 25 | 30.0 | 60 | 54 | 50.0 | 42 | 5 | 19.0 |
| TKA 25UU | 25 | 30 | 39.0 | 78 | 67 | 60.0 | 48 | 7 | 22.5 |
| TKA 30UU | 30 | 35 | 43.5 | 87 | 79 | 70.0 | 58 | 8 | 26.0 |
| TKA 40UU | 40 | 45 | 54.0 | 108 | 91 | 90.0 | 72 | 10 | 26.5 |
Dış silindir yüzey bakımı talep üzerine yapılır


| Gösterim | d | H | E | W | L | F | G | T | Y |
| mm | mm | mm | mm | mm | mm | mm | mm | mm | |
| TKA 10WUU | 10 | 16 | 20.0 | 40 | 70 | 31.5 | 25 | 5 | 7.0 |
| TKA 12WUU | 12 | 18 | 21.5 | 43 | 76 | 35.0 | 28 | 5 | 7.5 |
| TKA 16WUU | 16 | 22 | 26.5 | 53 | 84 | 42.0 | 35 | 5 | 9.5 |
| TKA 20WUU | 20 | 25 | 30.0 | 60 | 104 | 50.0 | 42 | 5 | 9.0 |
| TKA 25WUU | 25 | 30 | 39.0 | 78 | 130 | 60.0 | 48 | 7 | 10.0 |
| TKA 30WUU | 30 | 35 | 43.5 | 87 | 152 | 70.0 | 58 | 8 | 11.5 |
| TKA 40WUU | 40 | 45 | 54.0 | 108 | 176 | 90.0 | 72 | 10 | 14.0 |
Dış silindir yüzey bakımı talep üzerine yapılır
|
Y |
B |
C |
M |
K |
S |
Yük katsayıları C dinamik |
C0 statik |
Ağırlık |
| mm | mm | mm | mm | mm | mm | N | N | g |
| 29 | 20 | M 5 | 11 | 4.3 | 750 | 935 | 90 | |
| 32 | 23 | M 5 | 11 | 4.3 | 1020 | 1290 | 116 | |
| 40 | 26 | M 6 | 13 | 5.3 | 1250 | 1550 | 205 | |
| 9.0 | 45 | 32 | M 8 | 18 | 6.6 | 2090 | 2630 | 326 |
| 10.0 | 60 | 40 | M10 | 22 | 8.4 | 3780 | 4720 | 624 |
| 11.5 | 68 | 45 | M10 | 22 | 8.4 | 5470 | 6810 | 980 |
| 14.0 | 86 | 58 | M12 | 26 | 10.5 | 6590 | 8230 | 1670 |
|
B |
C |
M |
K |
S |
Yük katsayıları C dinamik |
C0 statik |
Ağırlık |
| mm | mm | mm | mm | mm | N | N | g |
| 29 | 52 | M 5 | 11 | 4.3 | 1215 | 1870 | 175 |
| 32 | 56 | M 5 | 11 | 4.3 | 1652 | 2580 | 227 |
| 40 | 64 | M 6 | 13 | 5.3 | 2025 | 3100 | 390 |
| 45 | 76 | M 8 | 18 | 6.6 | 3390 | 5260 | 630 |
| 60 | 94 | M10 | 22 | 8.4 | 6120 | 9440 | 1210 |
| 68 | 106 | M10 | 22 | 8.4 | 8860 | 13620 | 1880 |
| 86 | 124 | M12 | 26 | 10.5 | 10680 | 16460 | 3280 |